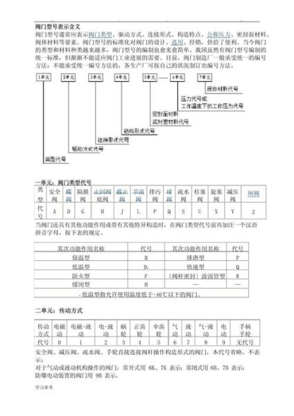
一、阀门选型标准:从工况到材质的完整清单
阀门选型不是拍脑袋,而是一场“工况体检”。下面用自问自答的方式,把关键指标拆成四步。

(图片来源网络,侵删)
1. 先问介质:流体特性决定材质
- **腐蚀性介质**(酸、碱、海水)→ 选**双相钢、哈氏合金**阀体,密封面堆焊司太立。
- **含颗粒浆液** → 选**陶瓷球阀或刀闸阀**,流道直通避免卡堵。
- **食品级介质** → 阀体抛光Ra≤0.8μm,密封材料用EPDM或PTFE。
2. 再问压力温度:等级与结构一次到位
压力等级怎么选?
答:按设计压力×1.5倍选PN或Class,例如1.6MPa系统选PN25。高温超过350℃时,**阀盖必须加散热片或加长颈**,防止填料烧损。
3. 三问功能:切断、调节还是止回?
- **零泄漏切断** → 软密封球阀、三偏心蝶阀。
- **线性调节** → V型球阀、套筒调节阀,Cv值与开度成等百分比。
- **防止倒流** → 静音止回阀、旋启式止回阀,注意关闭速度与水锤。
4. 四问连接:法兰、焊接还是螺纹?
大口径(≥DN50)优先**法兰连接**,便于检修;高压(≥Class900)优先**对焊BW**,减少泄漏点;仪表根阀常用**NPT螺纹**,节省空间。
二、阀门常见故障有哪些:现场工程师的“病历本”
故障千奇百怪,但归纳起来逃不过“漏、卡、动、振”四个字。下面用真实案例拆解。
1. 外漏:阀杆与法兰密封的“跑冒滴漏”
典型症状:阀杆填料处渗水、法兰垫片喷蒸汽。

(图片来源网络,侵删)
**根因与对策**:
- 填料老化 → 更换**石墨+因科镍丝**组合填料,预紧力按30MPa扭矩。
- 法兰垫片选型错误 → 蒸汽系统误用EPDM,应改为**金属缠绕垫+内环**。
2. 内漏:关闭不严的“隐形杀手”
如何快速判断内漏?
答:在阀门下游装**0.4级压力表**,关闭后10分钟压力上升≥2%即判定内漏。
**常见场景**:
- 球阀密封面划伤 → 用**金刚石研磨膏**在线修复,Ra≤0.2μm。
- 闸阀楔式闸板变形 → 重新堆焊13Cr,机加工后配对研磨。
3. 卡涩:执行器推不动阀杆的“血栓”
案例:某化工厂气动球阀冬季卡死,拆解发现阀杆结霜。

(图片来源网络,侵删)
**解决路径**:
- 加装**伴热带**维持阀体温度≥5℃。
- 改用**低温润滑脂**(-40℃仍保持粘度)。
- 检查阀杆直线度,超过0.1mm/m需校直。
4. 振动与噪声:水锤与闪蒸的“交响乐”
水锤怎么消除?
答:在泵出口安装**缓闭止回阀**,关闭时间控制在3~5秒;或增设**气囊式水锤吸纳器**。
闪蒸破坏如何识别?
答:阀后管道出现**鱼鳞状冲刷痕**,阀芯呈蜂窝状侵蚀。对策:选**多级降压套筒阀**,逐级降低压差。
三、选型与故障的交叉验证:让数据说话
把选型参数与故障记录做关联分析,会发现惊人规律:
- 材质选错导致的腐蚀泄漏,占外漏故障的**42%**。
- 未按Cv值选调节阀,造成内漏的占比**38%**。
- 忽略管道应力,导致阀杆变形的案例**占卡涩故障的27%**。
结论:**选型时多花10分钟,现场少抢修10小时**。
四、延伸思考:数字化如何提前预警故障
在阀门上加装**智能定位器**与**振动传感器**,可实时监测:
- 阀杆推力曲线偏移 → 预测填料磨损。
- 声发射信号突变 → 提前发现闪蒸空化。
- 温度梯度异常 → 识别保温层失效。
某炼化厂应用后,**计划外停机减少34%**,年节约维护费用120万元。
评论列表